Elektrificatie levert de procesindustrie vele voordelen. Warmtepompen en stoomcompressie dragen bijvoorbeeld bij aan grote energiebesparingen, terwijl E-boilers en warmteopslag financiële kansen bieden op de onbalansmarkt. Hoe zijn zowel efficiëntie als flexibiliteit te realiseren en hoe is dit te integreren in bestaande situaties? Om dit te onderzoeken, werkte ISPT de afgelopen twee jaar met leveranciers, de industrie en systeemintegratoren aan realistische voorbeelden op basis van virtuele processen. Er lijken vooral kansen te liggen in een slimme combinatie van technologieën. Samenwerken is derhalve een ‘must’.

Uitdagingen

De afgelopen jaren is er aanzienlijke vooruitgang geboekt als het gaat om het elektrificeren van processen. Met betrekking tot warmte-integratie kunnen warmtepompen bijvoorbeeld op steeds hogere temperaturen warmte leveren. Ook thermische opslag komt beschikbaar voor steeds hogere temperatuurtoepassingen, terwijl de prijs ervan steeds verder daalt. Daarbij worden er meer en meer slimme integratieconcepten uitgewerkt.
Hoewel er inmiddels behoorlijk wat oplossingen zijn ontwikkeld en gevalideerd, is het integreren ervan in bestaande situaties om verschillende redenen niet eenvoudig. Als eerste zijn bedrijven sowieso huiverig voor verandering. ‘Het draait nu goed en veilig; inbreken in het proces kan betekenen dat het hele proces ontregeld raakt en leidt sowieso tot productieverlies op dat moment.’ Liever zien ze eerst het succes bij een ander bedrijf, om het vervolgens met minder risico zelf te implementeren.
Daarnaast belemmeren heel basale, praktische problemen een grootschalige uitrol van elektrificatie. Denk daarbij aan de beschikbaarheid van (hernieuwbare) elektriciteit, mensen en netcapaciteit. Vooral de hoge (basislast) elektriciteitsprijzen ten opzichte van de aardgasprijs vormen een barrière, evenals de onbekendheid met de sterk toenemende variabiliteit in beschikbaarheid en prijs van hernieuwbare energie.
Praktijkcase
Voor ISPT, als onafhankelijk innovatieplatform, zijn deze uitdagingen geen reden om niet aan de slag te gaan. Het instituut is immers gespecialiseerd om te faciliteren in de samenwerking tussen kennisinstellingen, bedrijven en ketenpartners met als doel de energietransitie te versnellen.
We moeten uitgaan van een slimme combinatie van oplossingen
Annita Westenbroek, ISPT
Annita Westenbroek is als programmadirecteur ‘Warmte’ bij ISPT op de hoogte van de vele technologische ontwikkelingen van diverse leveranciers, die een (deel)oplossing bieden voor het transitievraagstuk. “Oplossingen variëren van warmtepompen en warmteopslag tot zonnecollectoren om duurzaam warmte op te wekken. Geen enkele oplossing is de heilige graal. We moeten uitgaan van een slimme combinatie van oplossingen. Alleen: hoe combineer je deze in de praktijk, hoe integreer je het eindresultaat in een bestaande situatie en hoe houd je rekening met toekomstige energiescenario’s?”

Brendon de Raad van Hogeschool Rotterdam is praktijkgericht onderzoeker en vult aan: “Je zou graag gebruik willen maken van een echte praktijkcase om te kunnen doorrekenen. Bedrijven mogen om logische redenen echter details over hun processtromen en de business case achter technologische oplossingen veelal niet delen met anderen.”
Virtuele case
In het in november 2023 gestarte project ‘Efficiënte en flexibele elektrificatie’ is dan ook besloten om twee virtuele cases op te zetten met daarin de meest relevante warmte- en koude-gerelateerde processtappen. Brendon de Raad begeleidde de projectgroep die de virtuele chemie-case uitwerkte. De andere case had betrekking op de agro-foodindustrie en wordt in dit artikel verder niet behandeld.
Virtuele cases maken het mogelijk om informatie en data te delen
Brendon de Raad, Hogeschool Rotterdam
Hij geeft aan: “Deze cases dienen als inspirerend, realistisch voorbeeld en maken het mogelijk om tóch informatie en data te delen. Bijvoorbeeld over processtappen, de massa- en energiebalans en hierin toegepaste slimme oplossingen voor elektrificatie; ook wanneer deze ingrijpen in de kern van het productieproces.”
Eindgebruiker
Aan zijn projectgroep namen vertegenwoordigers uit de procesindustrie en experts van leveranciers, systeemintegratoren en consultants deel.
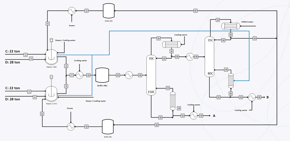
Jilles Telgenhof van Dow vertelt als vertegenwoordiger van de procesindustrie: “De virtuele case is ontwikkeld op basis van bestaande processen in de chemische industrie. Twee exotherme batchreactoren, die beide een product opleveren, vormen de basis. Daarachter bevindt zich een continu proces waarin de gevormde producten in twee stappen worden gescheiden.”

De vraag hierbij is hoe het energiesysteem zodanig kan worden ingericht dat er voor de scheidingsprocessen maximaal gebruik kan worden gemaakt van de vrijkomende warmte uit de batchprocessen. Als je dat goed doet, heb je voor de resterende warmtebehoefte van de scheidingsprocessen wellicht helemaal niet meer zoveel elektriciteit nodig.
Hoe kun je met een ver geoptimaliseerd en efficiënt proces meebewegen met de variërende beschikbaarheid en prijzen van elektriciteit?
Jilles Telgenhof, Dow
Jilles Telgenhof: “Een belangrijke vervolgvraag is echter wat de mogelijkheden zijn voor flexibiliteit. Hoe kun je met een ver geoptimaliseerd en efficiënt proces meebewegen met de variërende beschikbaarheid en prijzen van elektriciteit? Voor dit proces hebben we bijvoorbeeld gekeken naar extra reactorcapaciteit op tijdstippen wanneer de elektriciteitsprijzen laag zijn.”
Technologieleverancier

Carlijn Lahaye is werkzaam bij ENERGYNEST, een bedrijf dat oplossingen ontwikkelt voor elektrificatie en hogetemperatuur warmteopslag. Zij geeft aan: “De industrie heeft nog maar beperkt tijd om te elektrificeren en daarbij de keuze te maken voor een technologie die bij de processen én bij alle mogelijke toekomstige energiescenario’s past. Door ons aan te sluiten bij dit project hebben we de mogelijkheid gehad om onze oplossing door te rekenen in de virtuele case en te leren van de vragen die er in de procesindustrie leven met betrekking tot warmteopslag.”
Opvallend vond Carlijn Lahaye de problematiek rond de netaansluiting. “Als je wilt elektrificeren, heb je vaak een grotere netaansluiting nodig. Vooral als je in tijden van goedkope en ‘ruim beschikbare’ elektriciteit extra wilt opslaan in de vorm van warmte. Deze netaansluiting is door de netcongestie lang niet overal beschikbaar. De aansluitingen en contracten zijn gebaseerd op de aanname dat je de hele dag het volle vermogen van de aansluiting wilt gebruiken, terwijl dat in veel gevallen niet aan de orde is. Door hierin flexibiliteit in te bouwen, zou het probleem met netaansluitingen wel eens een heel stuk kleiner kunnen worden. Ook warmteopslag is in te zetten als congestieverzachter.”
Verloop project
De problematiek zoals Lahaye deze schetst, is in het tweede jaar van het project verder uitgediept.
Annita Westenbroek blikt terug: “In het eerste jaar heeft het platform vooruitgang geboekt in de ontwikkeling van concepten voor het verbeteren van de energie-efficiëntie door elektrificatie. De virtuele case is verder uitgewerkt om realistische processen te creëren met alle uitdagende verwarmings- en koelingsvereisten van de processtappen en met correcte massa- en energiebalansen.”
Brendon de Raad vervolgt: “De focus van het tweede jaar lag meer op de integratie van flexibiliteit in deze geëlektrificeerde processen. De uitdagingen in deze fase lagen vooral bij de eerder aangegeven beschikbaarheid van hernieuwbare elektriciteit en de onbekendheid met de fluctuerende beschikbaarheid en prijzen.”
Op dit moment wordt de procesindustrie gestimuleerd prioriteit geven aan flexibiliteit boven efficiëntie. “Zo kunnen processen zich dynamisch aanpassen aan schommelingen op de energiemarkt en worden kortetermijnproblemen op het net – onbalans en netcongestie – gereduceerd. Uiteindelijk is het echter vooral belangrijk om de energievraag te verminderen met warmte-integratie en een warmtepomp. Daarna kun je nog kijken wat er slim met flexibiliteit is in te vullen. Op deze wijze kan beter worden bijgedragen aan een duurzame toekomstige energievoorziening waarin het net niet meer belast wordt dan nodig”, aldus De Raad.
“Door ons aan te sluiten bij dit project hebben we de mogelijkheid gehad om te leren van de vragen die er in de procesindustrie leven
Carlijn Lahaye, ENERGYNESY
Tot slot is het belangrijk om manieren te vinden om te optimaliseren tijdens de transitie naar volledige elektrificatie, zonder overbodige investeringen te hoeven doen. Hierin speelt het behoud van huidige machines en installaties een rol en mogelijkheden om gedurende een periode hybride te werken. Een businesscase-analyse met een diepere focus op de lange-termijn economische haalbaarheid van elektrificatie-oplossingen is wat dat betreft een belangrijke schakel in de uiteindelijke aanpak.
Vervolg
Het project leverde uiteindelijk relevante inzichten op:
- Geen enkele technologie is dé oplossing – slimme, efficiënte én flexibele combinaties zijn cruciaal om weerbaar te zijn tegen elk mogelijk toekomstig energiescenario;
- Procesveranderingen zijn complex en kapitaalintensief. Voorbeelden zijn belangrijk om de industrie te overtuigen;
- De industrie moet de technologische opties beter begrijpen en vertrouwen, leveranciers moeten de industriële processen en omstandigheden beter begrijpen – samenwerking is de sleutel.
Met het beëindigen van het project ‘Efficiënte en flexibele elektrificatie’ wordt het werk voortgezet in het onlangs gestarte, door de EU (Life programma) gefinancierde ‘HP4Industry’-project. Ook hierin worden ambitieuze klimaatdoelstellingen gekoppeld aan concrete, reproduceerbare, procesgeïntegreerde oplossingen voor industriële verwarming en koeling.
Annita Westenbroek besluit: “Binnen het vervolgproject wordt gewerkt aan Europese cases in de voedingsmiddelen-, pulp- en papier- en chemische sector. Organisaties die willen deelnemen aan de HP4Industry-werkgroepen voor de cases Chemie en Papier – neem contact met ons op!”
Dit artikel werd eerder gepubliceerd op npt.pmg.be
Acknowledgement
LIFE Programme - EU’s funding instrument for the environment and climate action